„სატრანსპორტო საშუალებათა იძულების წესით გასაჩერებლად სპეციალური საშუალებების ,,ზღარბი დიანას“ და ,,სპეციალური ბადის“ გამოყენების მეთოდური მითითების დამტკიცების შესახებ”

  • Word
„სატრანსპორტო საშუალებათა იძულების წესით გასაჩერებლად სპეციალური საშუალებების ,,ზღარბი დიანას“ და ,,სპეციალური ბადის“ გამოყენების მეთოდური მითითების დამტკიცების შესახებ”
დოკუმენტის ნომერი 76
დოკუმენტის მიმღები საქართველოს შინაგან საქმეთა მინისტრი
მიღების თარიღი 28/02/2003
დოკუმენტის ტიპი საქართველოს მინისტრის ბრძანება
გამოქვეყნების წყარო, თარიღი სსმ, 18, 11/03/2003
სარეგისტრაციო კოდი 310.150.000.11.118.005.714
  • Word
76
28/02/2003
სსმ, 18, 11/03/2003
310.150.000.11.118.005.714
„სატრანსპორტო საშუალებათა იძულების წესით გასაჩერებლად სპეციალური საშუალებების ,,ზღარბი დიანას“ და ,,სპეციალური ბადის“ გამოყენების მეთოდური მითითების დამტკიცების შესახებ”
საქართველოს შინაგან საქმეთა მინისტრი
დროებით, ფაილს შესაძლოა გააჩნდეს ვიზუალური ხარვეზი, სრული ვერსიის სანახავად დააჭირეთ ფაილის გადმოწერას

სახელმწიფო სარეგისტაციო კოდი 310.150.000.11.118.005.714

საქართველოს შინაგან საქმეთა მინისტრის

ბრძანება №76

2003 წლის 28 თებერვალი

ქ. თბილისი

სატრანსპროტო საშუალებათა იძულებითი წესით გასაჩერებლად სპეციალური საშუალებების �ზღარბი დიანას� და �სპეციალური ბადეს� გამოყენების მეთოდური მითითების დამტკიცების შესახებ

�პოლიციის შესახებ� საქართველოს კანონის მე-12 მუხლის მე-4 პუნქტის საფუძველზე და მის შესასრულებლად, ვბრძანებ:

1. დამტკიცდეს მეთოდური მითითება �სატრანსპროტო საშუალებების იძულებითი წესით გასაჩერებლად სპეციალური საშუალებების �ზღარბი დიანას� და �სპეციალური� ბადეს� გამოყენების შესახებ� (თან ერთვის);

2. ბრძანების შესრულებაზე კონტროლი დაევალოს შსს საგზაო პოლიციის მთავარ სამმართველოს (დ. კობახიძე) და საქართველოს შინაგან საქმეთა სამინისტროს გენერალურ ინსპექციას (დ. ჯინჯოლავა);

3. ბრძანება დაიგზავნოს დანიშნულებისამებრ;

4. ბრძანება ძალაში შედის ოფიციალურ ბეჭდვით ორგანოში მისი გამოქვეყნებისთანავე.

კ.ნარჩემაშვილი

მეთოდური მითითება

სატრანსპორტო საშუალებების იძულებითი წესით გასაჩერებლად სპეციალური საშუალებების �ზღარბი დიანას� და �სპეციალური ბადეს� გამოყენების შესახებ

1. სპეციალური საშუალებები �ზღარბი დიანა� და �სპეციალური ბადე� (შემდგომ - სპეციალური საშუალებები) განკუთვნილია სატრანსპორტო საშუალებათა იძულებითი წესით გასაჩერებლად იმ შემთხვევებში, როდესაც შს ორგანოების სამორიგეო ნაწილებიდან შემოსულია ინფორმაცია (დავალება, ტელეფონოგრამა და სხვა) სატრანსპორტო საშუალების გატაცების (მოპარვის), მისი დანაშაულებრივი მიზნით გამოყენების, ან მასში დანაშაულის ჩადენაში ეჭვმიტანილი პირის ყოფნის, აგრეთვე ადამიანთა დაზიანებით და მსხვერპლით დასრულებული საგზაო-სატრანსპორტო შემთხვევის ადგილიდან მიმალული მძღოლის მიერ სატრანსპორტო საშუალების მართვის შესახებ და როდესაც ყველა ზემოთ ჩამოთვლილ შემთვევისას მძღოლი არ ასრულებს პოლიციის თანამშრომლის მოთხოვნას სატრანსპორტო საშუალების გაჩერების შესახებ.

2. საგზაო პოლიციის საგზაო-საპატრულო სამსახურის განწესს სატრანსპორტო საშუალებების იძულებითი გაჩერებისათვის �ზღარბი დიანას� და �სპეციალური ბადეს� ტიპის სპეციალური საშუალებების გამოყენება შეუძლია შესაბამისი დანაყოფის მორიგესთან შეთანხმებით ან დამოუკიდებლად გადაუდებელი შემთხვევისას.

3. საგზაო პოლიციის მუშაკი პირველ პუნქტში მითითებული სატრანსპორტო საშუალებების შესახებ ინფორმაციის მიღების შემდეგ:

ა) სტაციონარულ საგუშაგოზე სამსახურებრივი მოვალეობის შესრულებისას ახორციელებს ყველა სახის მოძრავი სატრანსპორტო საშუალების გაჩერებას, სპეციალური საშუალებების �ზღარბი დიანას� და �სპეციალური ბადეს� გამოყენების სავარაუდო ადგილიდან შეძლებისდაგვარად მოშორებით. ამასთან ერთად გამოყენებულ უნდა იქნას გადასატანი საგზაო-სასიგნალო ნიშნები, ღობურები და შუქნიშნები დანართი №1-ის მიხედვით;

ბ) მოახლოებულ სატრანსპორტო საშუალებას სიგნალს გაჩერების შესახებ აძლევს კვერთხით, ჟესტებით, აგრეთვე ხმის გამაძლიერებელი მოწყობილობით ან მეგაფონით სპეციალური საშუალებების განთავსების ადგილიდან იმ მანძილზე, რომელიც საკმარისი იქნება დასამუხრუჭებლად. სავალ ნაწილს გადაღობავს სპეციალური საშუალებებით, ხოლო მათი შესაძლო შემოვლის მიმართულებას კეტავს საგუშაგოსთან მყოფი ავტომანქანებით, ტრაქტორებით, თვითმავალი მექანიზმებით და სხვა საშუალებებით;

საპატრულო მარშრუტზე სამსახურებრივი მოვალეობის შესრულებისას საგზაო პოლციის მუშაკი საზღვრავს გაჩერების ადგილს შესაძლო შემოვლის გზების გათვალისწინებით.

4. საგზაო-საპატრულო სამსახურების თანამშრომელთა ჯგუფი უზრუნველყოფილ უნდა იქნეს გადასატანი რადიოსადგურებით და დროებით გამოსაყენებელი საგზაო-სასიგნალო ნიშნებით.

შენიშვნა: � გზებზე, რომლებსაც გააჩნიათ გამყოფი ზოლი, საგზაო ნიშნები იდგმება თითოეული მიმართულებით, როგორც გვერდულზე, ისე გამყოფ ზოლზე.

5. იმისათვის, რომ დასაკავებელმა სატრანსპორტო საშუალებამ ვერ შეძლოს უკან მობრუნება და მიმალვა, სპეციალური საშუალებების განთავსების ადგილიდან საჭირო მანძილზე ეწყობა მეორე გადაკეტვა. საგზაო პოლიციის განწესი, რომელიც გამოყოფილია მეორე გადაკეტვაზე, მიღებული ბრძანებისთანავე დაუყოვნებლივ გამოიყენებს დამატებით სპეციალურ საშუალებებს. ამასთან ერთად, აფრთხილებს სხვა სატრანსპორტო საშუალებათა მძღოლებს და მოქალაქეებს არ შევიდნენ გადაკეტვის ზონაში.

6. სპეციალური საშუალებებით სატრანსპორტო საშუალებების იძულებითი გაჩერების შემდეგ, საგზაო პოლიციის მუშაკები ორგანიზაციას უკეთებენ დანაშაულში ეჭვმიტანილ მძღოლისა და მასთან მყოფი პირების დაკავებას.

7. იმ შეიარაღებული პირების დასაკავებლად, რომლებიც იმყოფებიან სპეციალური საშუალებების გამოყენებით გაჩერებულ სატრანსპორტო საშუალებაში, გამოძახებულ უნდა იქნეს ოპერატიულ მუშაკთა სპეციალური ჯგუფი სათანადო აღჭურვილობით და შეიარაღებით.

8. სპეციალური საშუალებების გამოყენება აკრძალულია ორსულობის, მცირეწლოვნობის, ინვალიდობის, ხანდაზმულობის აშკარა ნიშნების მქონე პირთა მიმართ, იმ შემთხვევის გარდა, როცა ისინი შეიარაღებულ ან ჯგუფურ თავდასხმას ახდენენ, შეიარაღებულ წინააღმდეგობას უწევენ პოლიციელს, რაც საფრთხეს უქმნის მოქალაქეთა და პოლიციის მუშაკთა სიცოცხლესა და ჯანმრთელობას, თუ სხვაგვარი ხერხებითა და საშუალებებით ასეთი თავდასხმის მოგერიება შეუძლებელია.

9. საგზაო პოლიციის თანამშრომელი ვალდებულია პირველადი სამედიცინო დახმარება აღმოუჩინოს სპეციალური საშუალებების გამოყენებით დაზარალებულ პირს, დაუყოვნებლივ აცნობოს სპეციალური საშუალებების გამოყენების შედეგად პირის დაჭრის ან დაზიანების შესახებ უშუალო უფროსს და პროკურორს. სპეციალური საშუალებების გამოყენების შესახებ საგზაო პოლიციის თანამშრომელი უშუალო უფროსის სახელზე ადგენს პატაკს, რომელშიც მიუთითებს ვისგან და როდის შემოვიდა ინფორმაცია სატრანსპორტო საშუალებების იძულებითი წესით გაჩერების შესახებ, როდის, სად და ვის მიმართ იქნა გამოყენებული სპეციალური საშუალებები, მათი გამოყენების გარემოებებს და შედეგებს.


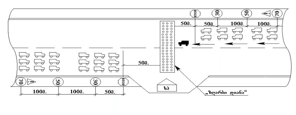
დანართი #1

������

სატრანსპორტო საშუალებების იძულებითი

წესით გასაჩერებლად სპეციალური საშუალებების

�`ზღარბი დიანას~ და `სპეციალური ბადეს~ გამოყენებისას საგზაო მონაწილეთა მოძრაობის

 

ორგანიზაციის სქემა

 

 

 

 

 

 

 

 

 

 

 

 

 

 

 

 

 

 

 

 

 

 

ნიშვნა: _ `ზღარბი დიანას~ გაშლა უნდა მოხდეს სპ საგუშაგოს წინ

���� _ სიჩქარის შემცირებისათვის გამოიყენება

������������ დროებითი გადასატანი საგზაო ნიშნები

���� _ საგზაო ნიშნების განთავსება უნდა შეესაბამებოდეს სქემას